河南产品展示
/ Products Classification 点击展开+海湾JTG-ZM-GST9614隔爆型紫外火焰探测器




一、海湾JTG-ZM-GST9614点型紫外火焰探测器概述:
海湾JTG-ZM-GST9614点型紫外火焰探测器(以下简称探测器)为感光型火灾探测器,它通过探测物质燃烧所产生的紫外线来探测火灾,适用于火灾发生时易产生明火的场所,对发生火灾时有强烈的火焰辐射或无阴燃阶段的火灾以及需要对火焰做出快速反应的场所均可采用本探测器。

探测器有编码和非编码两种工作模式。
探测器与我公司生产的河南火灾报警控制器以总线方式连接时,探测器工作在编码模式,探测器从总线获取电源并通过总线传递信息。
探测器与DC24V电源连接时,探测器工作在非编码模式,探测器通过输出不同的电阻值向外传递信息。
探测器的防爆性能符合GB3836.1-2000《爆炸性气体环境用电气设备第1部分:通用要求》及GB3836.2-2000《爆炸性气体环境用电气设备第2部分:隔爆型“d”》标准的要求,同时还满足GB12791-2006《点型紫外火焰探测器》中的各项要求。
本探测器适用于爆炸危险场所的1区、2区,可根据现场环境选用。
二、海湾JTG-ZM-GST9614点型紫外火焰探测器特点:
1、JTG-ZM-GST9614点型紫外火焰探测器内置单片机,由单片机进行信号处理及与河南火灾报警控制器通讯。
2、采用智能算法,既可以实现快速报警,又可以降低误报率。
3、三级灵敏度设置,适用于不同干扰程度的场所。
4、传感部件选用技术先进的紫外光敏管,具有灵敏度高,性能可靠,抗粉尘污染、抗潮湿及抗腐蚀能力强等优点。
5、采用铝合金外壳,外形美观简洁,体积小,重量轻,具有较好的机械强度。
三、海湾JTG-ZM-GST9614点型紫外火焰探测器技术特性:

(1) 工作电压:
编 码模式:额定工作电压:总线 24V
电压允许范围:总线 16V~28V
非编码模式:额定工作电压:DC24V
电压允许范围:DC20V~DC28V
(2) 工作电流:
编 码模式:监视电流≤2mA 报警电流≤3mA
非编码模式:监视电流≤13mA 报警电流≤23mA
(3) 指示灯:报警确认灯,红色,监视状态闪亮,火警时常亮
(4) 光谱响应范围:185nm~260nm
(5) 探测角度≤1200
(6) 探测距离:探测器设有二个灵敏度级别,不同的灵敏度级别对应着不同的探测距离。对于放置于底面积为 33cm×33cm,高为 5cm 的容器中的 2000g 工业乙醇(乙醇含量 90%以上)燃烧产生的火焰:Ⅱ级,17m;Ⅲ级,12m
(7) 外壳防护等级:IP66
(8) 使用环境:
温度:-20℃~+60℃
相对湿度≤95%,不结露
(9) 外形尺寸:
180.5mm×144mm×133mm
在下列情形的场所,不宜使用本探测器
1.可能发生无焰火灾;
2. 在火焰出现前有浓烟扩散;
3.探测器的“视线”易被遮挡;
4.探测器易受阳光直接或间接照射;
5. 现场有较强紫外线光源,如卤钨灯等;
6.在正常情况下有明火、电焊作业以及 X 射线、弧光、火花等影响。
四、海湾JTG-ZM-GST9614点型紫外火焰探测器结构特征、安装与布线 :
探测器外壳零件采用铝合金制成,含镁量小于 6%,有足够的机械强度,经水压试验 1.5Mpa,历时 10s 无滴水和 变形,能承受 7J 冲击能量,更高 表面温度不超过 85℃。探测窗口采用石英玻璃,可透过紫外线,能承受 2J 冲击能量。探测器外形结构如图 1所示:

探测器的安装方式有两种,一种是安装在墙壁上,另一种是安装在顶棚上。探测器附件备有卡箍和壁板,用于探测器的安装,卡箍和壁板结构示意图如图 2所示。壁板用三个 M660 的膨胀螺栓直接固定在墙壁或者顶棚上,卡箍用来连接探测器和壁板。 通过调节探测器和卡箍,可以使探测器向上转动 18°,向下转动 50°,左右转动各 90°。安装时,先把卡箍套在探测器的支撑轴上,然后通过固定螺栓 1 将卡箍连接到壁板上,接好探测器连接线。调节探测器和卡箍,使探测器正对被保护区域,然后拧紧固定螺栓 1 和固定螺栓 2,将探测器固定好。

探测器接线端子如图 3所示:

其中:
Z1、Z2:编码模式时接河南火灾报警控制器总线,无极性。
非编码模式时接 DC24V 电源,无极性。
K1、K2:只用于非编码模式,通过输出不同的电阻值表示不同的状态:火警状态短路;正常状态为 4.7kΩ;故障状态断开。
布线要求:
现场布线采用截面积大于等于 1mm2,外径为φ8 mm 的屏蔽阻燃电缆,接线步骤如下:
(1)旋下探测器后盖和接线压紧螺母;
(2)将电缆线依次穿过压紧螺母、金属垫圈、橡胶密封圈,留出适当的长度;
(3)将电缆线剥去外皮留出金属导线 5mm,将橡胶密封圈、金属垫圈、压紧螺母连同电缆一同旋进探测器壳体,用扳手将压紧螺母旋紧为止;
(4)将电缆的金属线头与探测器接线端子对应相接,将电缆的屏蔽接入探测器外壳内部保护地接线处;
(5)将探测器后盖用工具旋紧,从探测器外壳保护地接线处将探测器外壳接入保护地;
(6)检查探测器后盖、电缆压紧螺母确定已旋紧,然后可进行控制器端的接线。
安装完成后需做如下检查:
(1)外壳表面应无裂纹、孔洞,底壳、后盖连接牢固;
(2)探测窗无划伤、裂纹;
(3)进线口处应有密封圈;
(4)密封圈与电缆线径吻合;
(5)进线口锁紧螺母已锁紧;
(6)接地标识处有接地线。
遮光罩的选用
对于现场有阳光直射或反射到紫外探测器的情况,可考虑使用遮光罩:
a) 半遮罩
能遮挡来自探测器上方的光线,适用于探测器壁挂安装并对斜下方进行火焰探测报警的情况。该遮光罩直接固定于探测器壳体上,安装示意图如图4所示:

b) 全遮罩
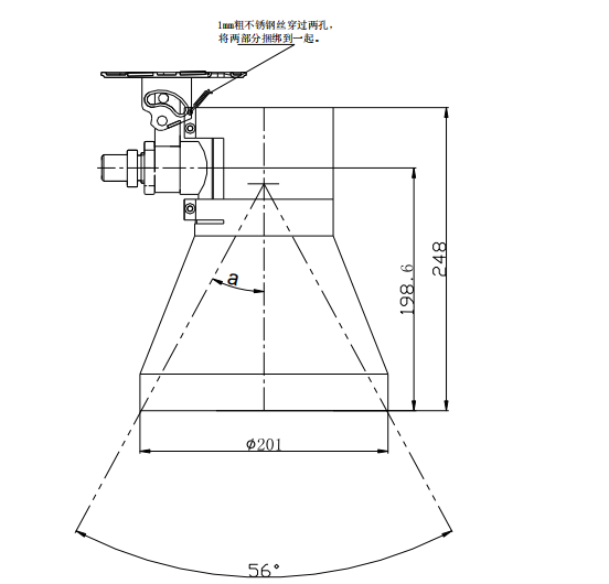
能遮挡来自探测器视窗四面的光线,适用于探测器吸顶安装并对正下方进行火焰探测报警的情况。该遮光罩直接固定于探测器壳体上,安装示意图如图 5所示,注意此时探测器的保护面积有所变化,可按公式πh2tg2а计算,其中安装高度 h 更好 小于 10 米。

相关服务 / service
地区产品 / city
相关产品 / product
相关新闻 / news
- 河南行业认可!海湾消防斩获全球安全产业“智慧消防十大品牌”殊荣[ 2025-12-29 ]
- 河南消防联动系统包含哪些设备?[ 2025-12-27 ]
- 河南排烟风机可以不设置在机房内?此地明确[ 2025-12-27 ]
- 河南新国标,新升级|从民用安心到工业守护,海湾火灾探测器覆盖全场景安全[ 2025-12-22 ]
- 河南防烟排烟系统及通风、空调系统防火建设工程消防验收现场评定技术指南[ 2025-12-17 ]
- 河南海湾消防应急照明系统包括哪些[ 2025-12-17 ]
- 河南海湾防火门监视模块GST-FH-MC01可以用在火灾爆炸区吗?或者有没有可替换模块?[ 2025-12-12 ]
- 河南海湾两线制的,风机多线用什么型号的模块?总线用什么型号的模块?[ 2025-12-12 ]
- 电话:4006-598-119
- 邮箱:1334605518@qq.com
- 地址:苏州市常熟市黄河路275号
- 版权所有:智淼君安(江苏)消防工程技术有限公司
- 海湾消防 www.gstyg.com 网站地图 (XML/TXT)
- ICP备案证书号:苏ICP备19022074号-10
苏公网安备32058102002167号
- 河南关于我们
- 河南产品展示
- 河南火灾自动报警系统
- 河南气体灭火系统
- 河南电气火灾监控系统
- 河南消防电源监控系统
- 河南防火门监控系统
- 河南应急照明疏散系统
- 河南极早期空气采样系统
- 河南消防余压监控系统
- 河南可燃气体监控系统
- 河南智慧消防物联网系统
- 河南涉外消防设备
- 河南空气采样探测器
- 河南消防水炮系统
- 河南其它配件
- 河南联网及通讯接口
- 河南海湾消防技术视频
- 图探系统
- 河南新闻中心
- 河南技术文章

服务热线: 
<
<
<
<
